How to get URL link on X (Twitter) App
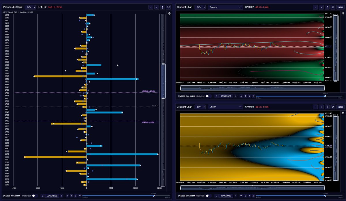
https://twitter.com/GodOfVega1/status/2018045808743186844If our delta is 100 and the SPX goes up $1, we make 100
First, that figure is Notional Gamma
First, let's define some things up front:
VS3D GAMMA PROFILE
THE OVERNIGHT PRICE ACTION
What's GAMMA when it comes to option hedging?
https://twitter.com/Tom___Banks/status/1981329315770819029
I had to go way back on this one to find a winner.
We are hedging Delta.

VIX options pin, too.
How does this keep a lid on volatility?
https://twitter.com/phlegminglib/status/1948922138846507288They were mostly held long by one customer
It sure looks like the market may be overpricing a repeat of Friday's price action...
First, why was yesterday so boring compared to Wednesday?
Customers are confused today...