Pourquoi 8 soudures revêtent une si grande importance ?
Qu'est ce que ce "Groupe d'experts" a dit ?
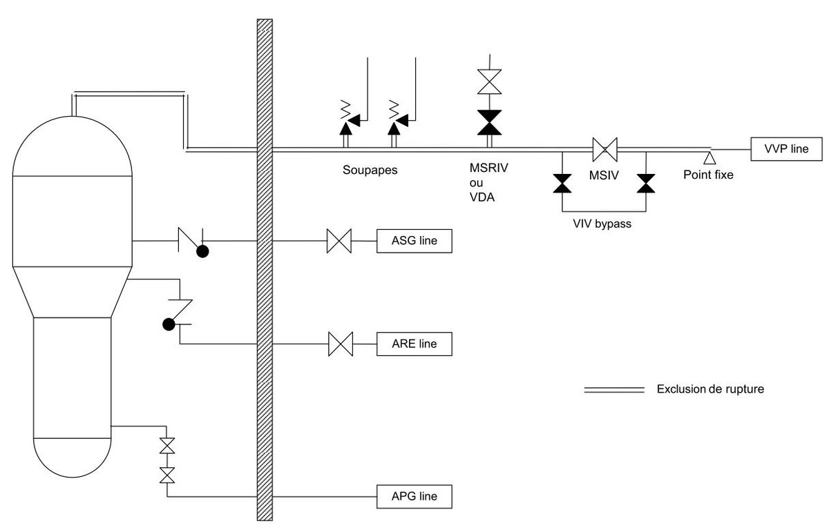
"Exclusion de rupture" ?
Pourquoi cet article de libération parle de "Risque critique de sûreté" ?
Eléments de réponse :
liberation.fr/france/2019/04…
Let's thread ! #nucléaire
🔹Explications sur les "lignes VVP"
🔹Explications sur l'accident "RTV"
🔹Retour d'expérience sur ce type d'accident
🔹Explication "Exclusion de rupture"
🔹Retour sur les écrits des experts du groupe
1️⃣Apparition d’une brèche dans une ligne de vapeur du circuit
secondaire du réacteur
2️⃣Echappement de la vapeur par cette brèche, ce qui provoque une
dépressurisation importante du GV,
Rappels sur l'enceinte ici :
Bien sûr que non : les installations ont des parades qui permettent d'assurer la prévention et la mitigation de ce genre d’événement ... L'EPR ne fait pas exception !
🔹le limiteur de débit vapeur au sommet du GV
🔹l’arrêt automatique du réacteur déclenché par de nombreux signaux comme une pression basse dans un GV
🔹l'injection de sécurité qui injecte du bore pour contrer l'excursion de puissance
🔹isolement automatique du GV (MSIV)
🔹l'aspersion enceinte si la pression devient trop importante
🔹et d'autres ... sans oublier les actions des opérateurs ...
Ces quelques exemples participent à la mitigation de l'accident
En revanche, dire que l'installation est dépourvu de parades est faux ...
A ma connaissance une rupture de tuyauterie à cet endroit ne s'est jamais produite dans le monde.
En revanche, des incidents/accidents analogues, oui.
Les lignes VVP sont conçues (ou devait) selon le concept d'exclusion de rupture dans la zone s'étendant de la sortie du GV jusqu'au point fixe en aval des vannes d'isolement.
Il a été appliqué aux gros composants primaires (RCP) : cuve, enveloppes des GV, GMPP, pressuriseur ...
🔹Absence de défauts, haute qualité, choix de procédé de fabrication
🔹Matériau tolérant aux défauts : choix de matériau ductile + tenace
🔹Limiter les concentrations de contrainte
🔹Contrôle de l’absence de défauts : redondants et poussés
🔹Mise en place de dispositifs anti-débattement (Parc EDF, France)
🔹Exclusion de rupture (Allemagne, EPR)
🔹Fuite avant rupture (USA)
➡ On a le "Tronçon renforcé" ou "superpipe" sur le parc :
🔹RCC-M niv2
🔹Minimisation des concentrations de contrainte
🔹Limitation des contraintes
🔹Aucune soudure en face externe (sauf si contrôle à 100% possible)
🔹Nombre de soudures longitudinales ou circulaires limitées
🔹Contrôle renforcé des soudures
🔹Longueur augmentée par rapport au parc : Sortie du GV ➡️ premier point fixe après la vanne d’isolement
🔹RCC-M niveau 1
🔹Tracé optimisé des lignes de tuyauterie et optimisation des supportages
🔹Choix de matériaux, qualité de fabrication
et pour les soudures :
🔹Limitation du nombre de soudures + grandes exigences
Les lignes VVP sont bien mieux conçues + soumises à bien plus d'exigences à la conception que ce qui avait été fait pour le parc.
De plus, les connaissances en terme de comportement des matériaux ont bcp évoluées et oint été utilisées dans leur conception !
Mémo ici :
hctisn.fr/IMG/pdf/Presen… …
🔹Est une démarche historique de la conception des REP
🔹D’abord pour gros composants du RCP, selon certains principes en matière de conception/fabrication/contrôles
🔹Étendue aux tuyauteries par la suite avec des dispositions complémentaires
L’ASN a réuni les 9 et 10 avril 2019 son Groupe permanent d’experts pour évaluer les stratégies proposées par EDF pour remédier à la situation.
asn.fr/Informer/Actua…
Et pourtant, cette phrase n’apparaît pas dans les conclusions/recommandations des différents documents ...
Et je ne comprends pas pourquoi ... ❓🤷🏼♂️❓




























